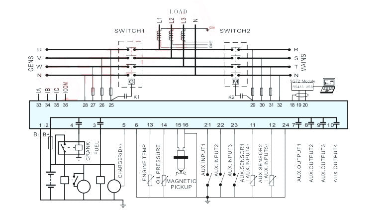
SmartGen HGM4020N Generator controller
Couldn't load pickup availability
Technical Parameters:
Display LCD(132*64)
Operation Pane lSilicon Rubber
Language Chinese & English & Others(A total of eight languages)
Digital Input 5(Two Multi-function)
Relay Output 6
Analogue Input 4
AMF ●
AC System 1P2W/2P3W/3P3W/3P4W
Alternator Frequency 50/60Hz
kW/Amp Detecting & Display ●
Monitor Interface USB
Programmable InterfaceU SB
RTC & Event Log ●
Scheduled Start Genset ●
Maintenance ●
DC Supply DC(8~35)V
Case Dimensions(mm) 135*110*44
Panel Cutout(mm) 116*90
Operating Temp. (-25~+70)℃
Available Bank offers
Instant 10% Discount On Selected Cards
HDFC Banks Credit/Debit Cards EMI and CreditCard Full Swipe.
Limited-Time Deal
Extra ₹500 Bonus Voucher On Selceted Product
Select laptops, headphones, and smartwatches auto-applied at checkout
- Express Delivery
- 12 Months Warranty
- 7 Days Easy Replace
-
Vendor:
GenLink Parts
-
Type:
STAMFORD SERIOUS

- Shipping And Return
Add details on availability, style, or even provide a review.
Professional
Work Essentials
Efficient collaboration
Looking forward to establishing a cooperative relationship with you